El grafeno contribuirá al desarrollo de sistemas de almacenamiento de energía para el vehículo eléctrico
Los resultados de un proyecto coordinado por la UPM y Repsol confirman los beneficios del nuevo material en dos tipos de dispositivos de almacenamiento de energía: las baterías de ion de litio y los supercondensadores.
11.04.16
Investigadores de la Universidad Politécnica de Madrid (UPM), en colaboración con grupos del Consejo Superior de Investigaciones Científicas (CSIC), la Universidad Complutense de Madrid (UCM) y el Centro de Tecnología de Repsol, han producido materiales, tecnología y demostradores basados en grafeno con aplicaciones energéticas. Esta investigación ha sido fruto de uno de los proyectos de investigación de la primera convocatoria del programa Inspire Repsol-UPM, cuyo objetivo era desarrollar “Sistemas de Almacenamiento de Energía basados en Grafeno para el Vehículo Eléctrico” (SAVE). El proyecto, realizado durante los tres últimos años, ha sido coordinado por el profesor Fernando Calle, del Instituto de Sistemas Optoelectrónicos y Microtecnología (ISOM) de la UPM, y por el doctor Antonio Páez, del Centro de Tecnología de Repsol. Los resultados de este trabajo confirman los beneficios del nuevo material en dos tipos de dispositivos de almacenamiento de energía: las baterías de ion litio y los supercondensadores.

El grafeno es un nanomaterial alótropo del carbono, elemento muy ligero con enlaces atómicos muy fuertes. Su extremada delgadez (uno o muy pocos átomos de espesor) le proporciona una enorme superficie específica, y su configuración electrónica facilita su elevada conductividad. A tales propiedades se une su estabilidad mecánica y química frente a cualesquiera electrolitos. Esta combinación única de virtudes que ofrece el grafeno le convierten en el material ideal para fabricar sistemas de almacenamiento de energía ligeros y de altas prestaciones, que son necesarios para que el vehículo eléctrico se imponga en el mercado.
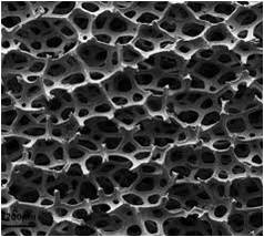
El proyecto SAVE ha permitido generar conocimiento científico y tecnológico sobre el que se basan cuatro patentes internacionales sobre la fabricación del material, su procesado, y los dispositivos finales. En particular, en SAVE se han fabricado unas nanoplaquetas grafénicas mediante la combinación de procesos de grafitización, exfoliación y reducción, a partir de coques procedentes del petróleo. Con estas plaquetas se han obtenido cátodos de baterías capaces de almacenar el doble de energía que los convencionales. Por otra parte, se han desarrollado espumas de grafeno en tres dimensiones crecidas por depósito químico de vapor que, una vez funcionalizadas con polímeros, permiten obtener supercondensadores con una excelente densidad de potencia.
Si bien el vehículo eléctrico es el principal desafío de esta investigación, el grafeno también puede permitir el desarrollo de sistemas de almacenamiento de energía para electrónica portátil y vestible, para aplicaciones domóticas, e incluso para facilitar la recogida y distribución de energía procedente de fuentes renovables.
Fuente: UPM y Repsol.
